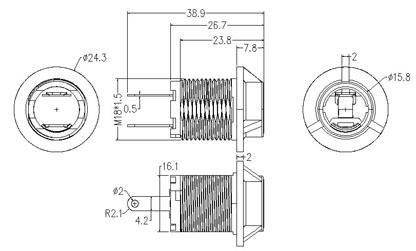
Mushroom Lighter holder(short) Product ID: 11104020 Inquiry Aliexpress store Product Details Product ID: 11104020 Top grade material, great outlooking and durable. Available for welding and pluging. Tags:holder Mushroom Mushroom Lighter short Share: Prev: Mushroom Lighter Shell(Large) Next: Mushroom Lighter holder Related Products Mushroom Lighter(Large) Mushroom Lighter Mushroom Lighter(Medium)